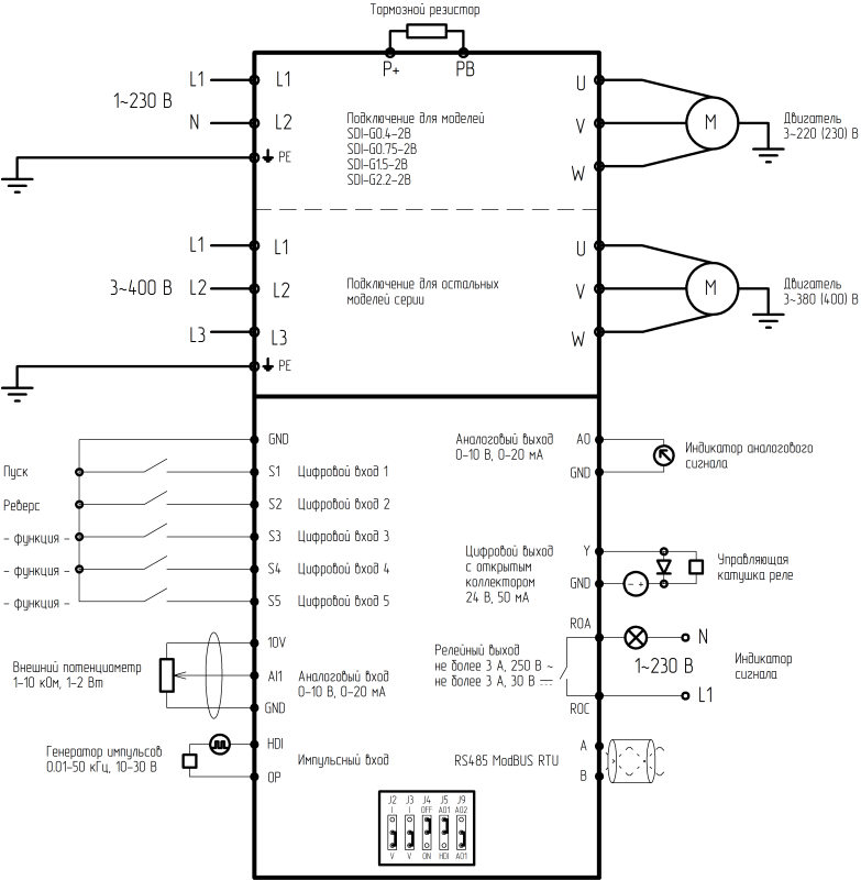
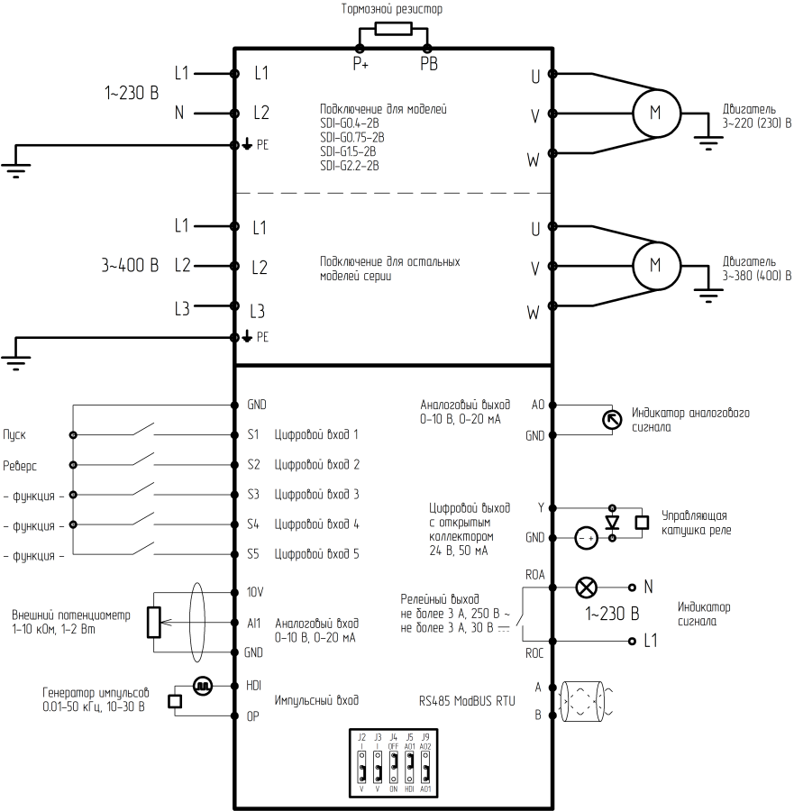
Преобразователи частоты серии SDI от INSTART отличаются компактными размерами и широкими функциональными возможностями. Устройства мощностью от 0,4 до 4 кВт реализуют векторный контроль для точной регулировки скорости и момента электродвигателя, а также поддерживают работу с дискретными входами/выходами, коммуникационным портом RS-485 с протоколом MODBUS RTU и панелью оператора. Среди их возможностей — два ПИД-режима для автоматической настройки параметров, встроенный тормозной модуль и защита двигателя от перегрузок, короткого замыкания и других аварийных режимов.
Программируемый выбор до 16 скоростей с четырьмя алгоритмами разгона/торможения позволяет гибко настраивать оборудование под задачи пользователя. Устройства совместимы с датчиками через аналоговые входы 0/4–20 мА или 0–10 В, а применение IGBT-модуля (кроме модели SDI–G4.0-4B) обеспечивает стабильность работы даже в сложных условиях. Базовая комплектация включает монтажный кабель длиной 1,5 метра. Гарантия 3 года.
Оплата:
- Приобрести климатические системы и оборудование можно с помощью безопасного онлайн-платежа через систему Сбербанк .
Доставка:
- Доставка товара осуществляется по всей России. Точный срок и стоимость уточняются при оформлении заказа.



