Назад в каталог

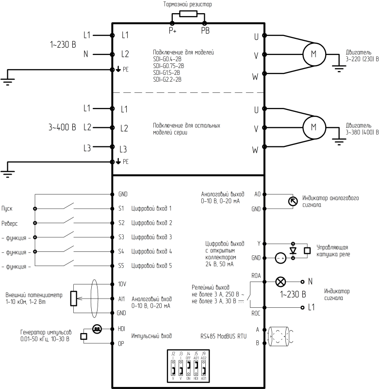
Преобразователи частоты серии SDI от INSTART — компактные и надежные устройства мощностью от 0,4 до 4 кВт, предназначенные для управления электродвигателями. Они обеспечивают простое и экономически эффективное решение для автоматизации промышленного оборудования. Благодаря компактным размерам и встроенному монтажному комплекту (кабель длиной 1,5 м) установка занимает минимум времени. Устройства поддерживают векторное управление для точного контроля скорости и момента двигателя, а также позволяют выбирать до 16 скоростей с возможностью применения четырех алгоритмов разгона/торможения.

Управление осуществляется через дискретные входы/выходы, коммуникационный протокол MODBUS RTU (RS 485) или с панели управления. Встроенные функции включают два ПИД-режима регулирования, работу с датчиками по аналоговым входам 0/4–20 мА или 0–10 В, а также наличие тормозного модуля для повышения безопасности. Защита электродвигателя реализована от перегрузок, короткого замыкания и других аварийных ситуаций. Модели оснащены IGBT-модулем (кроме SDI–G4.0-4B). Гарантия 3 года.

Единица измерения: шт.

Оплата:

  • Приобрести климатические системы и оборудование можно с помощью безопасного онлайн-платежа через систему Сбербанк .

Доставка:

  • Доставка товара осуществляется по всей России. Точный срок и стоимость уточняются при оформлении заказа.
Купить Частотный преобразователь INSTART SDI-G0.75-2B, 0,75кВт, 220В (4,7 А) вы можете в компании ВенТехника, оформив заказ в интернет магазине, или отправив заявку по почте, а также по телефону или в офисе компании .
Рекомендуем посмотреть
Вам может понравиться
Артикул: SDI-G1.5-4B
Производитель: INSTART
в наличии
20 000,00 Р
Артикул: SDI-G2.2-4B
Производитель: INSTART
в наличии
21 000,00 Р
Артикул: SDI-G4.0-4B
Производитель: INSTART
в наличии
24 000,00 Р
Артикул: LCI-G15/P18,5-4B
Производитель: INSTART
в наличии
56 000,00 Р
Артикул: LCI-G5.5/P7.5-4B
Производитель: INSTART
в наличии
32 000,00 Р